首页 / 产品中心 / 芯片封装服务

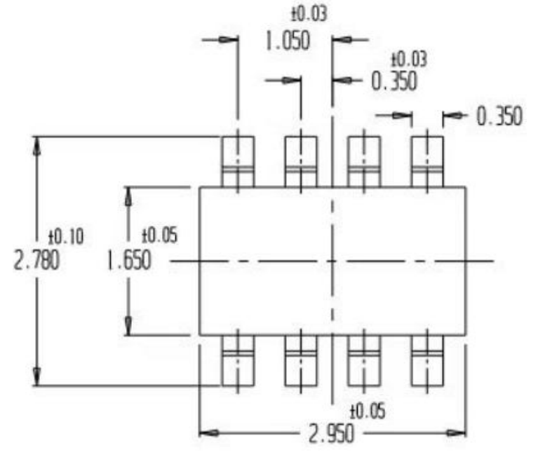
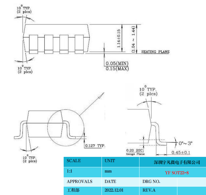
SOT23-8封装定制

SOT23-8封装具有8个引脚,相比于SOP-8,可以在较小的封装空间内实现更高的集成度,宇凡微除SOT23-8外还提供多种封装形式,欢迎咨询本站客服。

全国热线 0755-23959389


SOT23-8定制封装

SOT23-8


Copyright © 2022-2025 深圳市芯安佳科技有限公司